尿醛树脂喷雾干燥塔
脲醛树脂又称脲甲醛树脂。英文缩写UF,是尿素与甲醛在催化剂(碱性或酸性催化剂)作用下,缩聚成初期脲醛树脂,然后再在固化剂或助剂作用下,形成不溶、不熔的末期热固性树脂。固化后的脲醛树脂颜色比酚醛树脂浅,呈半透明状,耐弱酸、弱碱,绝缘性能好,耐磨性极佳,价格便宜,它是胶粘剂中用量最大的品种.特别是在木材加工业各种人造板的制造中,脲醛树脂及其改性产品占胶粘剂总用量的90%左右。
产品介绍
喷雾干燥是液体工艺成形和干燥工业中较广泛应用的工艺。特别适用于从溶液、悬浮液和糊状液体原料中生成粉状、颗粒状固体产品。因此,当成品的颗粒大小分布、残留水份含量、堆积密度和颗粒形状的标准时,喷雾干燥是一道较好的工艺。
工作原理
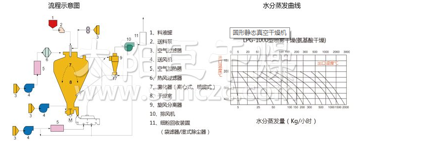
空气经过滤和加热,进入干燥器顶部空气分配器,热空气呈螺旋状均匀地进入干燥室。料液经塔体顶部的高速离心雾化器,(旋转)喷雾成极细微的雾状液珠,与热空气并流接触在极短的时间内可干燥为成品。成品连续地由干燥塔底部和旋风分离器中输出,废气由风机排空。
性能特点
1、干燥速度快,一般只需5-15秒,具有瞬时干燥特点(瞬间可蒸发95%~98%的水份)。物料在短时间内完成干燥过程,适应于热敏性物料的干燥,能保持物料色、香、味;
2、生产过程简化,操作控制简便,适应连续控制生产,含湿量40-90%的液体,一次干燥成粉,减少粉碎,筛选等工序,提高产品纯度;
3、产品分散性、流动性、溶解性良好,产品粒径、松散度、水分在一定范围内可通过改变操作条件进行调整,控制和管理都很方便。
适应物料
化学工业: 氟化钠(钾)、碱性染料颜料、染料中间体、复合肥、甲醛硅酸、催化剂、硫酸剂、氨基酸、白炭黑等。
塑料树脂:AB,ABS乳液、尿醛树脂、酚醛树脂、密胶(脲)甲醛树脂、聚乙烯、聚氯乙烯等。
食品工业:富脂奶粉、胳朊、可可奶粉、代乳粉、猎血粉、蛋清(黄)等。
食物及植物:燕麦、鸡汁、咖啡、速溶茶、调味香料肉、蛋白质、大豆、花生蛋白质、水解物等。
糖类: 玉米浆、玉米淀粉、葡萄糖、果胶、麦芽糖、山梨酸钾等。
陶瓷:氧化铝、瓷砖材料、氧化镁、滑石粉等。

技术规格

上一篇:白炭黑专用喷雾干燥机
下一篇:氨基酸喷雾干燥塔
